Systembeschreibung
Das primäre Stromverteilungssystem (10 kV Hochspannung) wird mittels eines Transformators auf 380 V/220 V Niederspannung heruntertransformiert und versorgt dann direkt Reinräume, Prozessanlagen und Stromversorgungsgeräte mit Strom. Es ist auch der letzte Punkt, an dem die Geräte mit Strom versorgt werden.
Hauptsächlich verwendet in
Stromversorgung für Kernprozessanlagen wie Lithographieanlagen, Ätzanlagen und Dünnschichtabscheidungsanlagen
Stromversorgung für Reinraum-FFU-Lüfter, Klimaanlage sowie Temperatur- und Feuchtigkeitssysteme.
Stromversorgung für spezielle Gasbehälter, Chemikalienförderanlagen und Abgasreinigungssysteme
Stromversorgung für Hilfssysteme wie Werksüberwachung, Sicherheitssysteme und Brandschutz
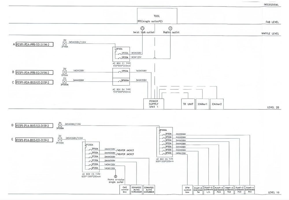
Auslegungsbeispiel für die Sekundärverrohrung eines bestimmten Anlagen-Equipments.
